涪原工业股份
(台湾公司)
中山涪原五金
(大陆工厂)
24小时咨询热线
0760-23803726
切换导航
首页
关于我们
公司简介
公司荣誉
产品中心
多通式球阀
法兰球阀
一片式球阀
二片式球阀
三片式球阀
其它
应用案例
企业动态
联系我们
产品分类
Products class
多通式球阀
法兰球阀
一片式球阀
二片式球阀
三片式球阀
其它
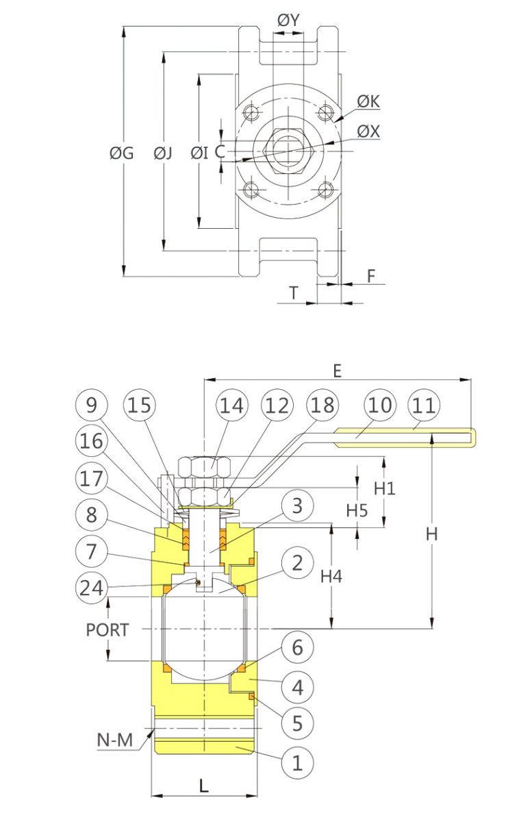
V-1F15
一片式全流法蘭球閥
FULL PORT ONE- PIECE BALL VALVE FLANGE END
防爆防静电中轴/全流BLOW-OUT PROOF STEM/ FULL PORT
带ISO5211平台 ISO 5211 MOUNTING DEVICE
适用温度范围 TEMPERATURE RANGE:-20 to 180℃
法兰尺寸参照FLANGE DIMENSIONS:
ANSI B16.5 CLASS 150
检查测试TEST: EN-12266-1
API-598
Material List
Dimension