
涪原工业股份 (台湾公司)
中山涪原五金 (大陆工厂)
24小时咨询热线
0760-23803726

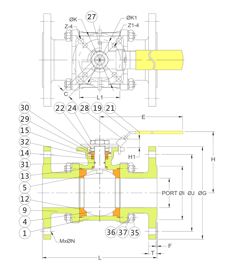
三片式高平台全流法兰球阀
● ISO 5211平臺直接安装ISO 5211 DIRECT MOUNTING PAD
● 防爆中軸BLOW-OUT PROOF STEM
● 工作座力:WORKING PRESSURE(CWP):PN16 bar/PN40 bar
● 適用温度範圍 TEMPERATURE RANGE:-20 to 180℃
● 掛锁装置 LOCKING DEVICE
● 法蘭参照 END FLANGE DIMENSION:
DIN 2543 PN16/DIN 2545 Pn40 ( EN 1092-1 RF)
● 法蘭長度FACE TO FACE: EN 558-1/ F1


