涪原工业股份 (台湾公司)

中山涪原五金 (大陆工厂)

24小时咨询热线

0760-23803726

V-2FD
V-2FD PN16/40
 
●    防爆防静电中軸/全流BLOW-OUT PROOF STEM/FULL PORT
 
●    ISO 5211平臺直接安装ISO 5211DIRECT MOUNTING PAD
 
●    適用温度範圍TEMPERATURE RANGE:-20 to 180℃
 
●    設計製造DESIGN:DIN EN ISO-17292
 
●    法蘭尺寸参照FLANGE DIMENSIONS:EN1092-1TYPE21PN16/40(RFSF)
 
●    法蘭長度FACE TO FACE:EN 558-1F4/F5(DIN 3202 F4/F5)
 
●    檢查舆测試TEST:EN-12266-1
 
 
V-2FD CLASS150# 300#
 
●     防爆防静电中軸/全流BLOW-OUT PROOF STEM/ FULL PORT
 
●    ISO 5211平臺直接安装ISO 5211 DIRECT MOUNTING PAD
 
●     適用温度範圍 TEMPERATURE RANGE:-20 to 180 ℃
 
●    設計製造DESIGN:API 608
 
●    法蘭尺寸参照FLANGE DIMENSIONS: ASME B16.5 CLASS150
 
●    法蘭長度FACE TO FACE:ASME B16.10
 
●    檢查舆測試TEST: API-598
 
Pressure test:API 598
 
 
V-2 FD JIS -10K
 
●     防爆防静电中軸/全流BLOW-OUT PROOF STEM/ FULL PORT
 
●    ISO 5211平臺直接安装I SO 5211 DIRECT MOUNTING PAD
 
●    適用温度範圍 TEMPERATURE RANGE:-20 to 180℃
 
●    設計製造DESIGN:API 608
 
●    法蘭尺寸参照FLA NGE DIMENSIONS :JIS B2238 10K
 
●     法蘭長度FACE TO FACE:JIS B2002 
 
●    檢查舆測試TEST: API-598
 
 
V-2FD GB - PN16/40 國標法蘭
 
●    防爆防静电中軸/全流BLOW-OUT PROOF STEM/ FULL PORT
 
●    ISO 5211平臺直接安装ISO 5211 DIRECT MOUNTING PAD
 
●    適用温度範圍 TEMPERATURE RANGE:- 20 to 180 ℃
 
●     設計製造DESIGN:GB/T-12237
 
●    法蘭尺寸参照FLANGE DIMENSIONS: GB/T-9113.1
 
●    法蘭長度FACE TO FACE:GB/T-12221
 
●     檢查舆測試TEST:GB/T-13927
 
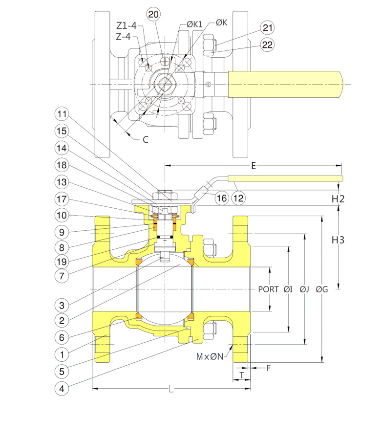
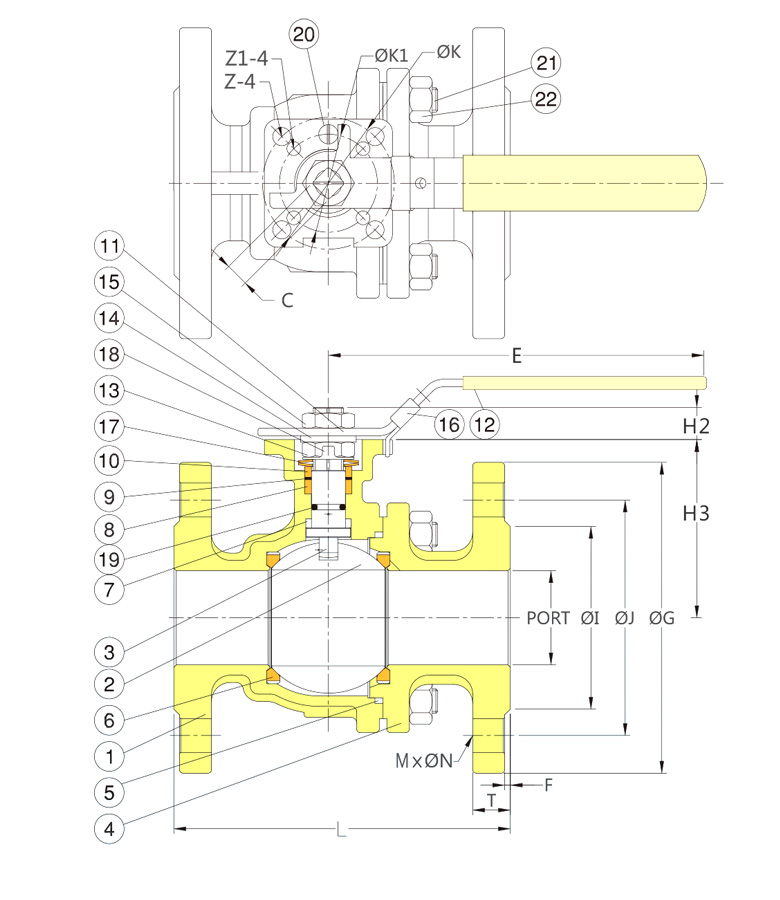
Material List

Dimension