涪原工业股份 (台湾公司)

中山涪原五金 (大陆工厂)

24小时咨询热线

0760-23803726

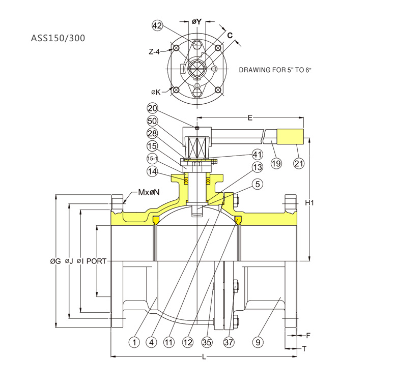
V-2F DN125~DN150
V-2F DN125~DN150(5"~6")
 
●    防爆中軸/全流BLOW-OUT PROOF STEM/ FULL PORT
 
●    带ISO 5211平臺安装ISO 5211 MOUNTING FLANGE
 
●    適用温度範圍 TEMPERATURE RANGE:-20 to 180℃
 
 
V-2F PN16/PN40
 
●    設計製造DESIGN:DIN EN ISO-17292
 
●    法蘭尺寸参照FLANGE DIMENSIONS: EN 1092-1 TYPE 21 PN16/40(RF SF)
 
●    法蘭長度FACE TO FACE: EN 558- 1 F4/F5(DIN 3202 F4/F5)
 
●    檢查舆測試TE ST: EN-12266-1
 
 
V-2F 150# 300#
●    設計製造DESIGN:API 608
 
●    法蘭尺寸参照FLANGE DIMENSIONS: ANSIB16.5 CLASS150/300
 
●    法蘭長度FACE TO FACE: ANSIB16. 1
 
●    檢查舆測試TE ST: API-598
 
 
V-2F 10K
●    設計製造 DESIGN:API 608
 
●    法蘭尺寸参照FLANGE DIMENSIONS:JIS B2238 10K
 
●    法蘭長度FACE TO FACE:JIS B2002 (ANSI B16.1)
 
●    檢查舆測試TE ST: API-598
 
Material List

Dimension