涪原工业股份 (台湾公司)

中山涪原五金 (大陆工厂)

24小时咨询热线

0760-23803726

R-2

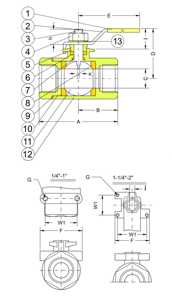
二片式牙口减流手动球阀

●    防爆中軸 BLOW-OUT PROOF STEM

●    工作壓力 WORKING PRESSURE(CWP):DN8~DN50 2000psi
 
●    適用温度範圍 TEMPERATURE RANGE:-20 to 180℃
 
●    掛鎖装置 LOCKING DEVICE
 
●    管螺紋参照 PIPE THREAD IN ACCORDANCE
            ASME B1.20.1(NPT)
            DIN 259/DIN 2999
            ISO 228/ISO 7-1
            BS 21(PT)/BS EN 10226(R)
 
Material List

Dimension